Humidifier avec la vapeur sous pression disponible.
Humidifier avec la vapeur sous pression disponible.
Humidificateur à injection de vapeur SIH

Humidificateur à injection de vapeur SIH
intelligent et économe en énergie

Utiliser la vapeur sous pression existante de manière intelligente et énergétiquement efficace.

Dans de nombreuses institutions et secteurs de production industriels, on utilise la vapeur sous pression pour des applications et des processus courants. L’humidificateur à injection de vapeur SIH (Steam Injection Humidifier) HygroMatik est relié à un réseau vapeur existant et permet d’utiliser la vapeur sous pression pour humidifier l’air de manière énergétiquement efficace. Voici quelques exemples de domaines d’application :

  • Hôpitaux
  • Laboratoires et salles propres
  • Secteur pharmaceutique
  • Chimie
  • Produits alimentaires
  • Centrales électriques
  • Et beaucoup d’autres

 

Partout où la vapeur sous pression est disponible en quantité suffisante, elle peut être utilisée pour humidifier l’air grâce à une intégration intelligente de l’humidificateur à injection de vapeur SIH HygroMatik dans des systèmes de bâtiments et de climatisation existants ou à construire. L’humidité de l’air est un facteur déterminant pour un climat intérieur sain. En outre, le réglage de l’humidification joue un rôle important dans la commande de processus sensibles et l’optimisation de la qualité des produits. L’humidificateur à injection de vapeur SIH HygroMatik humidifie l’air avec de la vapeur saturée sans condensat et permet des distances d’humidification courtes pour une installation compacte.

Description produit

Performance maximale au niveau de la qualité et de l’hygiène – disponible en deux modèles

Tous les composants sont développés en Allemagne dans la plus haute qualité et confectionnés sur mesure pour chaque projet. Pour être adapté de manière optimale aux différents domaines d’application, l’humidificateur à injection de vapeur SIH HygroMatik est disponible en deux modèles.

Dans la plupart des domaines d’application, l’humidificateur à injection de vapeur SIH variante acier inoxydable fonte grise remplit les exigences pour être intégré de manière optimale dans le système global. Pour les domaines d’application avec des exigences d’hygiène strictes (p. ex. hôpitaux, laboratoires et salles propres), on utilise de la vapeur pure.

L’humidificateur à injection de vapeur SIH variante 100 % acier inoxydable répond à ces exigences plus strictes. Dans ce modèle, tous les composants par lesquels passe la vapeur sont fabriqués en acier inoxydable 1.4401 et remplissent ainsi les exigences plus élevées de résistance à la corrosion dans la production de vapeur pure.

Humidificateur à injection de vapeur SIH acier inoxydable

Classes de puissance :
SIH 20 VA (quantité de vapeur max. 180 kg/h)
SIH 40 VA (quantité de vapeur max. 730 kg/h)

Humidificateur à injection de vapeur SIH acier inoxydable fonte grise

Classes de puissance :  
SIH 20 CI (quantité de vapeur max. 180 kg/h)
SIH 40 CI (quantité de vapeur max. 730 kg/h)

Lances à vapeur en acier inoxydable avec tuyauterie de chauffage intégrée

Légères, durables et parfaitement protégées

L’humidificateur à injection de vapeur SIH HygroMatik est équipé d’un tuyau de chauffage pour les lances à vapeur. C’est pourquoi aucun gainage supplémentaire n‘est nécessaire pour une humidification efficace. La quantité de condensat réduisant l’efficacité est limitée à un minimum.

 

Fabrication de précision en acier inoxydable de haute qualité

Les lances à vapeur sont fabriquées dans un acier inoxydable de haute qualité afin de garantir une longue durée d’utilisation. Leur faible poids permet un montage facile et rapide. Les tuyères silencieuses prélèvent la vapeur de manière centrale à partir du courant principal, la zone la plus sèche de la lance à vapeur. De plus, l’orientation des tuyères contre le flux d’air permet une distribution rapide et une courte distance d’humidification.

 

Système de chauffage efficace : protection hygiénique contre la formation de condensat

Le système de chauffage à lance à vapeur interne fermé est situé au point le plus bas de la lance à vapeur. Ainsi, le condensat éventuellement produit peut s’évaporer immédiatement. Le purgeur thermique léger et facile à entretenir évacue le condensat du système de chauffage. Le système de chauffage s’alimente directement à partir du sécheur de vapeur.

 

    • Faible besoin en espace grâce au système de chauffage interne
    • Régulation rapide lors de la mise en marche grâce au préchauffage des lances à vapeur
    • Faible chauffage du flux d’air
    • Protection contre les dépôts

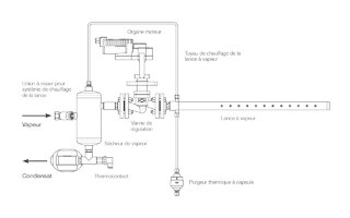
Six composants, un système – compact et flexible

L’humidificateur à injection de vapeur SIH HygroMatik est le seul à proposer six composants réunis dans une unité compacte. Selon les exigences du projet, l’humidificateur SIH est confectionné et composé individuellement. Les raccords à bride standards, les dimensions compactes et le faible poids propre permettent un montage facile – même si les conditions sont difficiles. Pour économiser de l’espace ou garder une liberté d’accès, un montage à angle de 90° est possible en option.

  1. Sécheur de vapeur puissant
    Le sécheur de vapeur en acier inoxydable sépare le condensat de la vapeur grâce à un système de régulation en spirale et est 100 % sans entretien.
  2. Collecteur d’impuretés interchangeable
    Le collecteur d’impuretés en acier inoxydable de haute qualité protège la vanne de régulation et le purgeur des impuretés du réseau de vapeur. Le tamis interne à mailles fines peut être facilement nettoyé et remplacé si nécessaire.
  3. Thermocontact fiable
    Le thermocontact ne déclenche l’humidification qu’une fois une certaine température de service atteinte. Ceci permet d’éviter de manière fiable que le condensat du réseau vapeur ne pénètre dans le canal de climatisation.
  4. Purgeur performant
    Le robuste purgeur à flotteur à fermeture hermétique évacue le condensat. Grâce au principe de réaction rapide et à la haute capacité, il est possible d’évacuer de plus grandes quantités de condensate en toute sécurité, p. ex. lors du démarrage du système. Le système fermé permet d’éviter les pertes de vapeur.
  5. Organe moteur SIH compatible bus
    Sécurité grâce à une fonction de commande d’urgence, à commande pneumatique en option (0,2-1 bar)
  6. Vannes de régulation SIH
    contrôlent la quantité de vapeur avec une courbe caractéristique de pourcentage égal

Régulation optimale du débit de vapeur – rapide et précise

L’organe moteur compatible bus offre des possibilités de régulation optimales grâce au raccord direct – sans adaptateur. La vanne de régulation HygroMatik contrôle la quantité de vapeur avec une courbe caractéristique de pourcentage égal.


Les avantages :

    • Une régulation particulièrement précise dans la plage inférieure
    • Un ajustement rapide aux besoins d’humidité élevés dans la plage supérieure

SIH Options

Afin de mieux adapter nos humidificateurs à vapeur sous pression SIH aux exigences de vos projets, nous proposons les composants optionnels suivants :

Robinets d’arrêt SIH

Le robinet d’arrêt optionnel recommandé garantit que le flux de vapeur peut être interrompu à 100 % pour une durée indéterminée en cas de besoin, indépendamment de la vanne de régulation.

Manomètre SIH

Le manomètre pour l’affichage de la
pression permet de contrôler la pression
de service actuelle.

Raccordement et conversion

Un raccord à bride pour le raccordement au réseau de vapeur sur site est disponible. Il est possible de passer de pièces en fonte grise à des pièces en acier inoxydable.

Schéma d’installation de l’humidificateur à injection de vapeur SIH

Domaines d’application

Secteur de l’industrie et des processus

Téléchargements

Brochures
Logo pdf
Brochure MultiLance
Système de distribution de vapeur
Logo pdf
Brochure SIH
Humidificateur à injection de vapeur
Textes d’appel d’offres
Logo pdf
Texte d'appel d'offre SIH
Système de vapeur sous pression
Manuels d’utilisation
Logo pdf
DDS manuel

Liste de surveillance

Envoyer la liste