МЫ УВЛАЖНЯЕМ ВОЗДУХ.

Паровой увлажнитель воздуха SIH
Умное решение, экономия энергии.

Описание продукта

Максимальная производительность, высокое качество и соблюдение гигиенических требований — в двух исполнениях

Все компоненты разрабатываются в Германии с соблюдением высочайших стандартов качества и подбираются индивидуально для каждого проекта. Для оптимального соответствия системы поставленным техническим задачам паровые увлажнители воздуха SIH от HygroMatik выпускаются в двух исполнениях.

 

В большинстве вариантов применения версия парового увлажнителя воздуха SIH из легированной стали и серого чугуна обеспечивает возможность оптимальной интеграции в комплексную установку. Если предъявляются жёсткие гигиенические требования (например, в больницах, лабораторных и чистых помещениях), используется чистый пар.

 

Выполнение этих повышенных требований обеспечивает версия парового увлажнителя воздуха SIH из легированной стали. В этом исполнении все паропроводящие компоненты изготовлены из легированной стали 1.4401 и потому соответствуют строгим критериям коррозионной стойкости для работы с чистым паром.

ПАРОВОЙ УВЛАЖНИТЕЛЬ ВОЗДУХА SIH ИЗ ЛЕГИРОВАННОЙ СТАЛИ

Классы производительности

SIH 20 VA (макс. количество пара 180 кг/ч)
SIH 40 VA (макс. количество пара 730 кг/ч)

ПАРОВОЙ УВЛАЖНИТЕЛЬ ВОЗДУХА SIH ИЗ ЛЕГИРОВАННОЙ СТАЛИ И СЕРОГО ЧУГУНА

Классы производительности

SIH 20 CI (макс. количество пара 180 кг/ч)
SIH 40 CI (макс. количество пара 730 кг/ч)

Паровые пики из легированной стали со встроенными нагревательными трубами

ЛЁГКОСТЬ, ДОЛГОВЕЧНОСТЬ И МАКСИМАЛЬНАЯ БЕЗОПАСНОСТЬ

оборудован паровыми пиками с нагревательными трубами. Благодаря этому для эффективного увлажнения не требуется дополнительная обшивка. Количество конденсата, снижающего производительность, сведено к минимуму.

 

ВЫСОКОТОЧНОЕ ПРОИЗВОДСТВО ИЗ ВЫСОКОКАЧЕСТВЕННОЙ ЛЕГИРОВАННОЙ СТАЛИ

Для обеспечения долгого срока службы паровые пики изготавливаются из высококачественной легированной стали. Благодаря небольшому собственному весу они устанавливаются легко и быстро. Малошумные паровые сопла отбирают пар из центра магистрального потока — в самом сухом месте паровой пики. Сопла обращены в направлении, противоположном направлению воздушного потока, что обеспечивает быстрое распределение и сокращает длину участка увлажнения.

 

ЭФФЕКТИВНАЯ НАГРЕВАТЕЛЬНАЯ СИСТЕМА: ГИГИЕНИЧНАЯ ЗАЩИТА ОТ ОБРАЗОВАНИЯ КОНДЕНСАТА

Внутренняя замкнутая нагревательная система расположена в самой низкой точке паровой пики. Благодаря этому образующийся конденсат сразу же испаряется. Удобный в обслуживании и лёгкий термический конденсатоотводчик выводит конденсат из нагревательной системы. Питание нагревательной системы поступает непосредственно от пароосушителя.

 

  • Небольшая требуемая площадь благодаря внутреннему расположению нагревательной системы
  • Быстрая регулировка при запуске благодаря предварительному нагреву паровых пик
  • Слабый нагрев воздушного потока
  • Защита от отложений

Шесть компонентов в одной системе:
компактность и гибкость

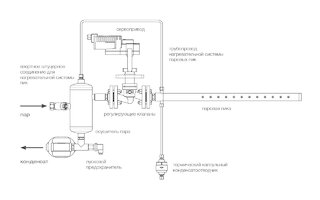
HygroMatik SIH — единственная компактная напорная паровая система, объединяющая в себе шесть компонентов. В зависимости от параметров проекта SIH компонуется и собирается индивидуально. Благодаря фланцевым соединениям (которые устанавливаются по умолчанию), небольшим размерам и малому собственному весу устройства монтаж выполняется быстро и легко, даже в неудобных местах. Для экономии места или облегчения доступа в качестве опции возможен монтаж под углом 90°.

  1. Осушитель пара высокой производительности
    Осушитель из легированной стали отделяет конденсат от пара с помощью спиральных направляющих и абсолютно не требует технического обслуживания.
  2. Сменный грязеуловитель
    Грязеуловитель из высококачественной легированной стали защищает регулирующий клапан и коденсатоотводчик от загрязнений из паровой сети. Мелкоячеистый фильтр, расположенный внутри, при необходимости легко очистить или заменить.
  3. Надёжный пусковой предохранитель
    Пусковой предохранитель позволяет запускать увлажнение только при достижении определённой рабочей температуры. Таким образом обеспечивается эффективная защита от проникновения конденсата из паровой сети в климатический канал.
  4. Эффективный конденсатоотводчик
    Надёжный, герметично закрывающийся конденсатоотводчик со сферическим поплавком обеспечивает отвод образующегося конденсата. Он отличается высокой скоростью реакции и производительностью, гарантируя отвод большого количества конденсата, например, при запуске системы. При этом система является замкнутой, что исключает потери пара.
  5. Сервопривод SIH, поддерживающий работу с промышленной сетью
    Безопасность благодаря автоматической функции аварийного регулирования, опциональное пневматическое управление (0,2–1 бар)
  6. Регулирующие клапаны SIH
    контролируют количество пара по равнопроцентной характеристике

Оптимальная регулировка количества пара: быстрота и точность

Сервопривод, поддерживающий работу с промышленной сетью, обеспечивает оптимальное автоматическое регулирование за счёт непосредственного подключения без адаптера. Специальный регулирующий клапан HygroMatik контролирует количество пара по равнопроцентной характеристике. Преимущества:

 

  • высокая точность в нижнем диапазоне регулирования,
  • быстрая подстройка при высокой потребности во влаге в верхнем диапазоне регулирования.

Опции SIH

Чтобы наши паровые увлажнители воздуха SIH оптимально соответствовали требованиям ваших проектов, мы предлагаем следующие опциональные компоненты:

ЗАПОРНЫЕ КЛАПАНЫ SIH

С помощью рекомендуемого опционального запорного клапана поток пара при необходимости может быть на любое время прерван на 100% независимо от регулирующего клапана.

МАНОМЕТР SIH

Манометр позволяет контролировать текущее рабочее давление.

ПОДКЛЮЧЕНИЕ И ПЕРЕОСНАСТКА

Для подключения к паровой сети заказчика можно заказать фланцевое соединение.

Возможна замена компонентов из серого чугуна на компоненты из легированной стали.

Схема установки парового увлажнителя воздуха SIH

Сферы применения

Загрузки

брошюра
Logo pdf
Брошюра MultiLance
Система распределения пара
Logo pdf
Брошюра SIH
Напорная паровая система
нежный
Logo pdf
Тендерная документация SIH
Напорная паровая система
Руководство по эксплуатации
Logo pdf
Инструкция по эксплуатации DDS RU