Humidify with existing pressurised steam.
Humidify with existing pressurised steam.
Steam injection humidifier SIH

Steam injection humidifier SIH

Intelligent and energy-efficient use of existing pressurised steam

In many facilities and industrial production areas, pressurised steam is used for standard operational processes and applications. The HygroMatik steam injection humidifier SIH is connected to an existing steam network and makes the pressure steam available for energy-efficient air humidification. Typical areas of application are e.g.

  • Hospitals
  • Laboratories and clean rooms
  • Pharma
  • Chemie
  • Food
  • Power plants
  • And many more

Wherever sufficient pressurised steam is already available, it can be used for air humidification by intelligently integrating the HygroMatik SIH steam injection humidifier into existing or new building and air conditioning systems. Air humidity is a decisive factor for a healthy indoor climate. In addition, the controllability of air humidity plays an important role in the control of sensitive processes and the optimisation of product quality.


The HygroMatik SIH steam injection humidifier humidifies with condensate-free saturated steam and enables short humidification distances for space-saving installation.

Product description

High performance in quality and hygiene – available in two versions

All components are developed in Germany and assembled according to requirements for each project. The HygroMatik steam injection humidifier SIH is available in two versions in order to optimally adapt the system to the respective application areas.

In most areas of application, the steam injection humidifier SIH stainless steel grey cast iron meets the requirements for optimum integration into the overall system. Pure steam is used for applications with demanding hygiene regulations (e.g. hospitals, laboratories and clean rooms).

The steam injection humidifier SIH 100% stainless steel meets these increased requirements. All steam-conducting components in this version are made of stainless steel 1.4401 and therefore also fulfil the increased requirements for corrosion resistance in pure steam operation.

Steam injection humidifier SIH stainless steel

Performance classes:
SIH 20 VA (max. steam output 180 kg/h)
SIH 40 VA (max. steam output 730 kg/h)

Steam injection humidifier SIH stainless steel grey cast iron

Performance classes:
SIH 20 CI (max. steam output 180 kg/h)
SIH 40 CI (max. steam output 730 kg/h)

Stainless steel steam lances with integrated heating piping

 

Light, durable and optimally protected

The HygroMatik steam injection humidifier SIH is equipped with a steam lance heating piping. Therefore, an additional sheathing is not necessary for efficient humidification. The amount of condensate that reduces the efficiency is kept to a minimum.

 

Precise manufacturing made of high-quality stainless steel

In order to guarantee a long service life, the steam lances are made of high-quality stainless steel. Their low net weight allows a simple and fast installation. The low-noise steam nozzles draw steam centrally from the core stream, the driest area of the steam lance. In addition, the nozzles are positioned against the airflow which ensures fast distribution and a short humidification distance.

 

Efficient heating system: hygienic protection against condensate formation

The internal, self-contained steam lance heating system is located at the lowest point of the steam lance. This allows any condensate to be evaporated again immediately. The lightweight and easy to maintain thermal steam trap drains condensate from the heating system. The heating system is fed directly from the steam dryer.

    • Low space requirement due to internal heating system
    • Fast regulation during start-up by preheating the steam lances
    • Low heating of the air flow
    • Protection against deposition

Six components, one system – compact and flexible

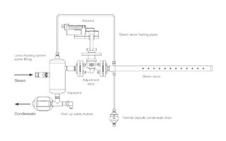
The HygroMatik SIH is the only pressure steam system that offers six components in one compact unit. Depending on the project requirements, the SIH is individually configured and confectioned. The standard flanged connections, the compact dimensions and the low net weight allow easy installation – even in difficult installation conditions. In order to save space or keep accesses free, a 90° angled mounting is optionally possible.

  1. High-performance steam dryer
    The stainless steel steam dryer separates the condensate from the steam using a spiral-shaped control system and is 100% maintenance free.
  2. Replaceable strainer
    The high-quality stainless steel strainer protects the control valve and the steam trap from contamination from the steam network. The internal fine mesh strainer can be cleaned or easily replaced if necessary.
  3. Reliable start-up safety feature
    The start-up safety feature activates humidification only after a certain operating temperature has been reached. This effectively prevents condensate from the steam network from entering the air-conditioning duct.
  4. Powerful steam trap
    The robust, tight-closing ball float steam trap drains off the condensate. Due to the fast reacting principle and the high capacity, even larger quantities of condensate can be safely discharged, e.g. when starting up the system. The closed system prevents steam losses.
  5. Bus-capable SIH actuator
    Safety through automatic emergency control function, optionally pneumatically controlled (0.2-1 bar)
  6. SIH control valves  
    Check the steam quantity with equal-percentage characteristic curve

Optimum control of steam quantity – fast and precise

The bus-capable actuator ensures optimum automatic control through direct connection - without adapter. The special HygroMatik control valve controls the steam quantity with equal-percentage characteristic curve.


The advantages:

    • A particularly precise control in the lower control range
    • Fast adaptation to high humidity requirements in the upper control range

SIH options

To better adapt our SIH pressurised steam humidifiers to the requirements of your projects, we offer the following optional components: from grey cast iron to stainless steel is possible.

SIH shut-off valves

The recommended optional shut-off valve ensures that, if required, the steam flow can be 100% shut off for any duration, independent of the control valve.

SIH manometer

The manometer for pressure indication allows the current operating pressure to be checked.

Connection and retrofitting

A flange connection for connecting to the on-site steam network is available. Conversion from grey cast iron to stainless steel is possible.

Installation schematic SIH steam injection humidifier

Applications

Production and manufacturing processes

Downloads

Brochures
Logo pdf
MultiLance – Steam manifold system
Flyer
Logo pdf
SIH – Steam injection humidifier
Brochure
Specifications
Logo pdf
SIH specification
Steam Injection Humidifier
Manuals
Logo pdf
Actuator for ari valves
Steam injection
Logo pdf
SIH
manual